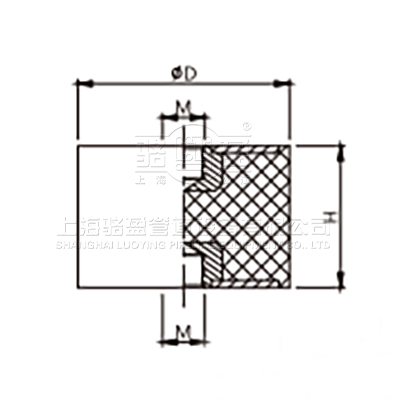
【產品名稱】:DD型橡膠減震器
【產品品牌】:駱盈
【產品型號】:DD8*8~75*40
【減震等級】:A級
【產品材質】:天然橡膠,雙頭內螺紋等隔振元件
【適用環境】:適用于空壓機、柴油機、電焊機、汽油機水泵等機器設備隔振
【產品特點】:有效隔絕振動噪音,隔振效率佳
在線咨詢
購買熱線: 021-622-00727

請點擊圖片看大圖
請點擊圖片看大圖
| 
 | 
            專業制造、專業服務,駱盈為你創造更多價值 !
       不斷提升服務質量,精益求精,“真誠的服務”是駱盈永恒的主題。駱盈嚴格按照  要求,質量嚴格把關,責任到人,確保生產、銷售、服務的健康運行。加強與用戶溝通,竭誠為廣大客戶提供優質產品,至善至美服務,特此駱盈做出如下承諾:
產品標準
      產品嚴格按照中國 GB、HG 標準和美國 API 等標準設計、制造、驗收。密封面硬度達到規定要求,寬度超過標準。
    
售前服務
      產品介紹,技術交流,非標產品設計,疑難解答。
  
售中服務
       1、守信合同,保證及時供貨,隨時保持與客戶聯系
       2、對特殊或復雜的產品,我廠安排技術人員對用戶進行產品使用、故障排除、調式及維修進行培訓和指導。
  
售后服務
      1、駱盈產品質保期為自出廠起 12 個月,實行“三包”服務(包退、包換、包修)。 
      2、產品在使用中我廠定期組織技術、檢查人員進行訪問,征詢用戶對產品質量、使用狀況、改進意見等方面的反饋,以便進一步提高產品質量。
      3、對用戶投訴產品質量問題,快速做出反映,售后服務人員在 24-36 小時(省外 48 小時)趕赴現場。
      4、對售后服務,要求用戶填寫服務后的質量反饋表,并做出鑒定意見,共同提高駱盈的產品質量與服務質量。
          
1、客戶采購清單請傳真至 021-64207088 E-mail:luoying@luoyingsh.com,或來電咨詢 021-62212627。
      2、收到客戶采購清單,為客戶提供產品型號選型與報價(價格清單)。
      3、具體商定:交貨期、特殊要求等事宜。
訂貨須知
      1、客戶對產品有特殊要求,須在訂貨合同中提供以下說明:
        (1)結構長度
        (2)連接形式
        (3)公稱直徑、全通徑、縮徑、管道尺寸
        (4)用介質及溫度、壓力范圍
        (5)實驗、檢驗標準及其他要求本廠可根據客戶特殊要求配置定做和設計特殊產品。
      2、本廠可根據客戶特殊要求配置定做和設計特殊產品。
      3、如由客戶提供確定的產品類型和型號時,客戶應正確說明其型號的含義和要求,在供需雙方理解一致的條件下簽訂合同。
您也可以聯系在線客服