HSD-A低頻空氣彈簧減振器是由氣室、橡膠彈性隔膜、支撐板三部分組成的彈性元件。HSD-A空氣彈簧減振器是柔 性密閉容器中加入壓力空氣,利用空氣受壓縮時的恢復力來提供彈性力,從而實現隔振和緩沖作用的一種非金屬彈簧,空氣彈簧減振器具有變剛度特性,容易獲得較低的固有頻率(2.6—5.3Hz)、較高的阻尼比(0.06—0.08),減振效率可達到95%以上。HSD低頻空氣彈簧減振器內部采用支撐設計,提高了使用安全性。
在線咨詢
購買熱線: 021-622-00727
1、空氣彈簧減振器自然頻率低,約在3.0—5.0Hz,故減振效果優良;阻尼系數0.06—0.08,可有效避免共振現象,尤其對樓板、鋼結構上設備共振效果顯著。 
2、以空氣為媒體,承載設備之負荷,可永保理想彈性,而無彈性疲乏及變形之率;氣體為聲音之不良導體,具有優異的隔音效果。 
3、使用優質進口復合材料—耐候性優良的NEPORENE RUBBER橡膠,故具有良好之耐久性。 
4、安裝簡單,使用方便,高度可依內壓調整;采用防油帽設計,抗油性提高,可放置一般油污環境。 
5、具有優良的減振效果,減少設備之振動損害,以延長設備使用壽命。 
6、空氣彈簧減振器的特殊設計,振動衰減距離特別長,具有高程度側壓抵抗能力,能承受水平作用力,適用于各種高樓上的機械設備。 
安裝低頻空氣彈簧減振器能有效解決振動及沖擊帶來的公害問題,并提高周邊機械的精密度,即減少設備維護費用,增加工作效率,凡下列設備,均可適用。
1.積極隔振:設備轉動部件偏心產生周期振動,及沖床等設備的沖擊力會對周圍環境造成振動影響。HSD-A空氣彈簧減振器能有效隔離此類振動,提高周邊機械的精密度,減少設備維護費用,增加工作效率。
1.消極隔振:精密儀器或設備支撐結構的振動大于儀器或設備的允許振動時,將對儀器、設備的測量精度、加工質量產生有害影響,降低儀器的使用壽命。需在儀器、設備與之撐結構之間安裝減振器以保證其正常工作。
2.應用在低頻振源的隔振效果很佳;對于彈簧減振器或剪切式橡膠減振器難以滿足的儀器、設備。
3.HSD低頻空氣彈簧減振器應在無腐蝕介質(酸、堿)等環境中使用,溫度為-10°C—50°C。特殊情況可按用戶要求采用特殊材料及設計保護裝置。
 
請點擊圖片看大圖
請點擊圖片看大圖
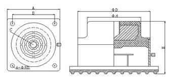
| JSA產品技術參數表 | |||||||||
| 型號 | 外型尺寸(mm) | 荷載(Kgs) | 固定螺栓CS*L | ||||||
| A | B | H | φD | φd | BD | Min | Max | ||
| HSD-A-50 | 100 | 76 | 75 | 73 | 30 | 11 | 0 | 50 | M10 | 
| HSD-A-100 | 145 | 105 | 100 | 106 | 50 | 14 | 50 | 10 | M12 | 
| HSD-A-200 | 145 | 105 | 100 | 106 | 60 | 14 | 100 | 200 | M12 | 
| HSD-A-400 | 175 | 135 | 100 | 137 | 92 | 14 | 200 | 400 | M12 | 
| HSD-A-700 | 205 | 165 | 102 | 165 | 110 | 14 | 400 | 700 | M16 | 
| HSD-A-900 | 230 | 190 | 102 | 191 | 136 | 14 | 700 | 900 | M16 | 
| HSD-A-1200 | 255 | 217 | 105 | 216 | 149 | 18 | 900 | 1200 | M16 | 
| HSD-A-1600 | 315 | 265 | 105 | 270 | 190 | 18 | 1200 | 1600 | M16 | 
| HSD-A-2000 | 360 | 305 | 105 | 320 | 260 | 18 | 1600 | 2000 | M16 | 
| HSD-A-2800 | 440 | 385 | 110 | 403 | 300 | 18 | 2000 | 2800 | M18 | 
| HSD-A-3500 | 470 | 410 | 110 | 422 | 330 | 18 | 2800 | 3500 | M20 | 
            專業制造、專業服務,駱盈為你創造更多價值 !
       不斷提升服務質量,精益求精,“真誠的服務”是駱盈永恒的主題。駱盈嚴格按照  要求,質量嚴格把關,責任到人,確保生產、銷售、服務的健康運行。加強與用戶溝通,竭誠為廣大客戶提供優質產品,至善至美服務,特此駱盈做出如下承諾:
產品標準
      產品嚴格按照中國 GB、HG 標準和美國 API 等標準設計、制造、驗收。密封面硬度達到規定要求,寬度超過標準。
    
售前服務
      產品介紹,技術交流,非標產品設計,疑難解答。
  
售中服務
       1、守信合同,保證及時供貨,隨時保持與客戶聯系
       2、對特殊或復雜的產品,我廠安排技術人員對用戶進行產品使用、故障排除、調式及維修進行培訓和指導。
  
售后服務
      1、駱盈產品質保期為自出廠起 12 個月,實行“三包”服務(包退、包換、包修)。 
      2、產品在使用中我廠定期組織技術、檢查人員進行訪問,征詢用戶對產品質量、使用狀況、改進意見等方面的反饋,以便進一步提高產品質量。
      3、對用戶投訴產品質量問題,快速做出反映,售后服務人員在 24-36 小時(省外 48 小時)趕赴現場。
      4、對售后服務,要求用戶填寫服務后的質量反饋表,并做出鑒定意見,共同提高駱盈的產品質量與服務質量。
          
1、客戶采購清單請傳真至 021-64207088 E-mail:luoying@luoyingsh.com,或來電咨詢 021-62212627。
      2、收到客戶采購清單,為客戶提供產品型號選型與報價(價格清單)。
      3、具體商定:交貨期、特殊要求等事宜。
訂貨須知
      1、客戶對產品有特殊要求,須在訂貨合同中提供以下說明:
        (1)結構長度
        (2)連接形式
        (3)公稱直徑、全通徑、縮徑、管道尺寸
        (4)用介質及溫度、壓力范圍
        (5)實驗、檢驗標準及其他要求本廠可根據客戶特殊要求配置定做和設計特殊產品。
      2、本廠可根據客戶特殊要求配置定做和設計特殊產品。
      3、如由客戶提供確定的產品類型和型號時,客戶應正確說明其型號的含義和要求,在供需雙方理解一致的條件下簽訂合同。
您也可以聯系在線客服