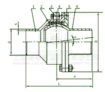
QJB型焊接式球形接頭是由殼體,球體,密封圈組成。接頭兩端采用焊接方式進行連接。本體的內部結構和法蘭式球形接頭的結構是一樣的,同樣都是在工作過程中,球體嵌套在殼體內部,二者之間由橡膠密封圈密封連接。
【產品名稱】:QJB型焊接球形接頭(E球形補償接頭)
【產品別名】:焊接球形接頭 球形補償接頭
【產品規格】:【DN50mm-DN1200mm】
【產品壓力】:1.0-2.5MPa
【產品】:
【適用范圍】:【弱酸、弱堿、弱腐蝕類、油、熱水、冷水等】
【產品材質】:碳鋼,球墨鑄鐵,不銹鋼.
【產品顏色】:藍色,可根據客戶要求調色.
【工作溫度】:-40度至80度
在線咨詢
購買熱線: 021-622-00727
QJB型焊接式球形接頭球體在使用過程中可以在一定范圍內進行自由轉動,能夠實現管道的角向位移的補償。適用于出現角向位移的管道,方便施工。產品適用于輸送海水、淡水、冷熱水、飲用水、生活污水、原油、燃油、潤滑油、成品油、空氣、煤氣、溫度不高于250度的蒸汽和顆粒粉狀等介質。
1 角向位移補償量大,使用壽命長。
2 材質優良,運行穩定。
3 本產品能夠有效地起到保護管線避免受到地陷帶來的不良影響。
讓江海兒女共飲長江水的目標實現后,南通市區供水量突飛猛長,新建的崇海水廠一期從建成之日起就是滿負荷運轉,為確保區域供水量足質優,崇海水廠二期已進場施工。
眼前在建的是庫容5萬方的清水池,用于臨時儲存制好的水,再轉供至各縣區。池底的面積相當于36個籃球場大小,總計要用1.6萬立方混凝土和2000多噸鋼材。為了抓緊工期,目前工地上挖掘機取土和池底混凝土澆筑都是同步施工。
上海駱盈生產的QJB型焊接式球形接頭球體在使用過程中可以在一定范圍內進行自由轉動,能夠實現管道的角向位移的補償。適用于出現角向位移的管道,方便施工。該管線使用了駱盈補償器之后能夠大大提高管線的運行的穩定性和持久性,大幅度降低管道運行過程中發生事故的幾率。
清水池竣工后,沙濾池、沉淀池等深度處理項目都將陸續開工。整個二期工程概算投資4.3億元,供水規模40萬噸,預計今年年底竣工驗收。

請點擊圖片看大圖
| 公稱通徑Norminal Diameter DN(mm) | 徑向很大尺寸Max radial size D(mm) | 球心距Globe Distance E(mm) | 轉矩Torque(KN.M) | 總長Total length L(mm) | 重量Weight | |||||
| 1.0Mpa | 1.6Mpa | 2.5Mpa | ||||||||
| 1.0Mpa | 1.6Mpa | 2.5Mpa | 4.0Mpa | 接管connection tube | 接管connection tube | 接管connection tube | ||||
| 50 | 180 | 114 | 0.07 | 0.11 | 0.17 | 0.28 | 200 | 18 | 18.8 | 23 | 
| 65 | 198 | 152 | 0.14 | 0.23 | 0.36 | 0.58 | 260 | 26 | 27 | 32 | 
| 80 | 225 | 168 | 0.32 | 0.51 | 0.80 | 1.28 | 292 | 37 | 38 | 45 | 
| 100 | 260 | 178 | 0.54 | 0.86 | 1.34 | 2.15 | 310 | 56 | 58 | 70 | 
| 125 | 300 | 206 | 1.04 | 1.67 | 2.61 | 4.18 | 350 | 77 | 79 | 95 | 
| 150 | 375 | 254 | 1.52 | 2.43 | 3.80 | 6.08 | 440 | 85 | 87 | 105 | 
| 200 | 440 | 236 | 2.15 | 3.45 | 5.39 | 8.63 | 435 | 118 | 121 | 145 | 
| 250 | 540 | 315 | 4.22 | 6.75 | 10.55 | 16.88 | 584 | 238 | 243 | 290 | 
| 300 | 608 | 275 | 6.34 | 10.15 | 15.86 | 25.38 | 602 | 331 | 338 | 405 | 
| 350 | 685 | 370 | 8.31 | 13.30 | 20.78 | 33.25 | 670 | 503 | 514 | 615 | 
| 400 | 780 | 420 | 10.83 | 17.32 | 27.06 | 43.30 | 757 | 584 | 596 | 725 | 
| 450 | 825 | 435 | 15.34 | 24.55 | 38.36 | 61.38 | 822 | 846 | 864 | 820 | 
| 500 | 900 | 336 | 20.81 | 33.30 | 52.03 | 13.25 | 728 | 965 | 985 | 1150 | 
| 600 | 1055 | 448 | 26.22 | 41.95 | 65.55 | 104.87 | 900 | 1345 | 1375 | 1647 | 
| 700 | 1300 | 710 | 31.78 | 50.84 | 79.44 | 127.10 | 1290 | 1524 | 1555 | 1866 | 
| 800 | 1450 | 830 | 38.26 | 61.22 | 95.65 | 153.05 | 1480 | 1700 | 1735 | 2080 | 
| 900 | 1630 | 950 | 45.20 | 72.32 | 113.05 | 180.80 | 1650 | 1876 | 1915 | 2298 | 
| 1000 | 1810 | 1100 | 52.74 | 84.38 | 131.84 | 210.95 | 1810 | 2058 | 2100 | 2520 | 
| 1100 | 1990 | 1350 | 60.91 | 97.46 | 152.28 | 243.65 | 2050 | 2370 | 2425 | 2880 | 
| 1200 | 2170 | 1550 | 69.78 | 111.65 | 174.45 | 279.45 | 2280 | 2795 | 2860 | 3280 | 
            專業制造、專業服務,駱盈為你創造更多價值 !
       不斷提升服務質量,精益求精,“真誠的服務”是駱盈永恒的主題。駱盈嚴格按照  要求,質量嚴格把關,責任到人,確保生產、銷售、服務的健康運行。加強與用戶溝通,竭誠為廣大客戶提供優質產品,至善至美服務,特此駱盈做出如下承諾:
產品標準
      產品嚴格按照中國 GB、HG 標準和美國 API 等標準設計、制造、驗收。密封面硬度達到規定要求,寬度超過標準。
    
售前服務
      產品介紹,技術交流,非標產品設計,疑難解答。
  
售中服務
       1、守信合同,保證及時供貨,隨時保持與客戶聯系
       2、對特殊或復雜的產品,我廠安排技術人員對用戶進行產品使用、故障排除、調式及維修進行培訓和指導。
  
售后服務
      1、駱盈產品質保期為自出廠起 12 個月,實行“三包”服務(包退、包換、包修)。 
      2、產品在使用中我廠定期組織技術、檢查人員進行訪問,征詢用戶對產品質量、使用狀況、改進意見等方面的反饋,以便進一步提高產品質量。
      3、對用戶投訴產品質量問題,快速做出反映,售后服務人員在 24-36 小時(省外 48 小時)趕赴現場。
      4、對售后服務,要求用戶填寫服務后的質量反饋表,并做出鑒定意見,共同提高駱盈的產品質量與服務質量。
          
1、客戶采購清單請傳真至 021-64207088 E-mail:luoying@luoyingsh.com,或來電咨詢 021-62212627。
      2、收到客戶采購清單,為客戶提供產品型號選型與報價(價格清單)。
      3、具體商定:交貨期、特殊要求等事宜。
訂貨須知
      1、客戶對產品有特殊要求,須在訂貨合同中提供以下說明:
        (1)結構長度
        (2)連接形式
        (3)公稱直徑、全通徑、縮徑、管道尺寸
        (4)用介質及溫度、壓力范圍
        (5)實驗、檢驗標準及其他要求本廠可根據客戶特殊要求配置定做和設計特殊產品。
      2、本廠可根據客戶特殊要求配置定做和設計特殊產品。
      3、如由客戶提供確定的產品類型和型號時,客戶應正確說明其型號的含義和要求,在供需雙方理解一致的條件下簽訂合同。
您也可以聯系在線客服